设为首页
|
加入收藏
|
联系我们
首页
关于我们
公司简介
联系我们
企业资质
企业历程
宣传视频
公司新闻
产品中心
伺服电机
全数字伺服驱动器
伺服动力节能方案
应用中心
纺织设备
印刷设备
新能源
伺服节能领域
金属成型设备
金属加工设备
特殊解决方案
销售网络
下载中心
产品样本
技术文档
软件下载
人才中心
人才理念
空缺职位
技术中心
加工设备及技术
检验设备及技术
新产品开发及设计
产品中心
伺服电机
-交流永磁同步伺服电机
--A通用伺服电机
--B快速注塑机专用伺服电机
--C压铸机系列专用伺服电机
--D新能源汽车专用伺服电机
--E其他专用伺服电机
-交流感应伺服电机
全数字伺服驱动器
伺服动力节能方案
产品中心
当前位置>
首页
>产品中心
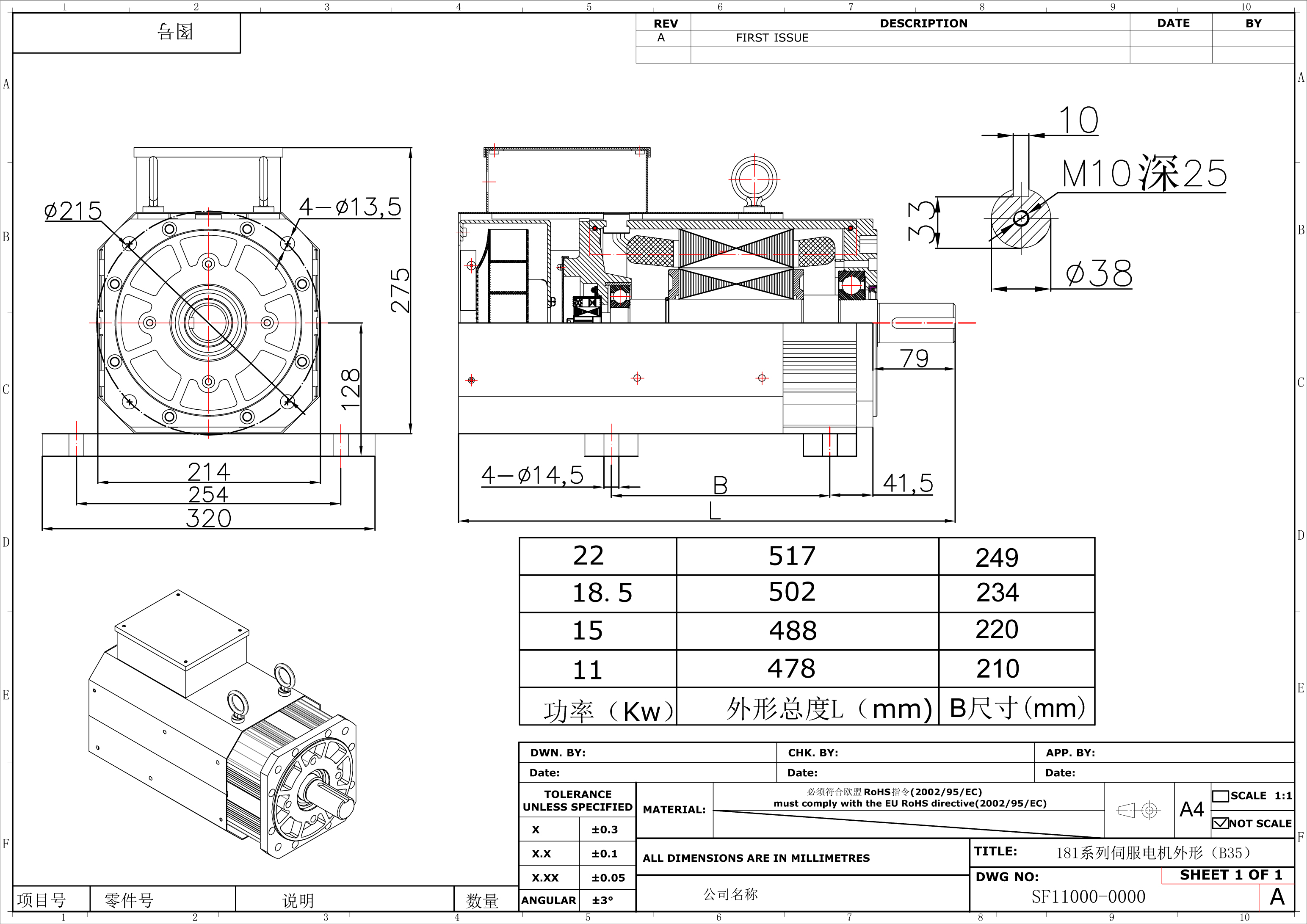
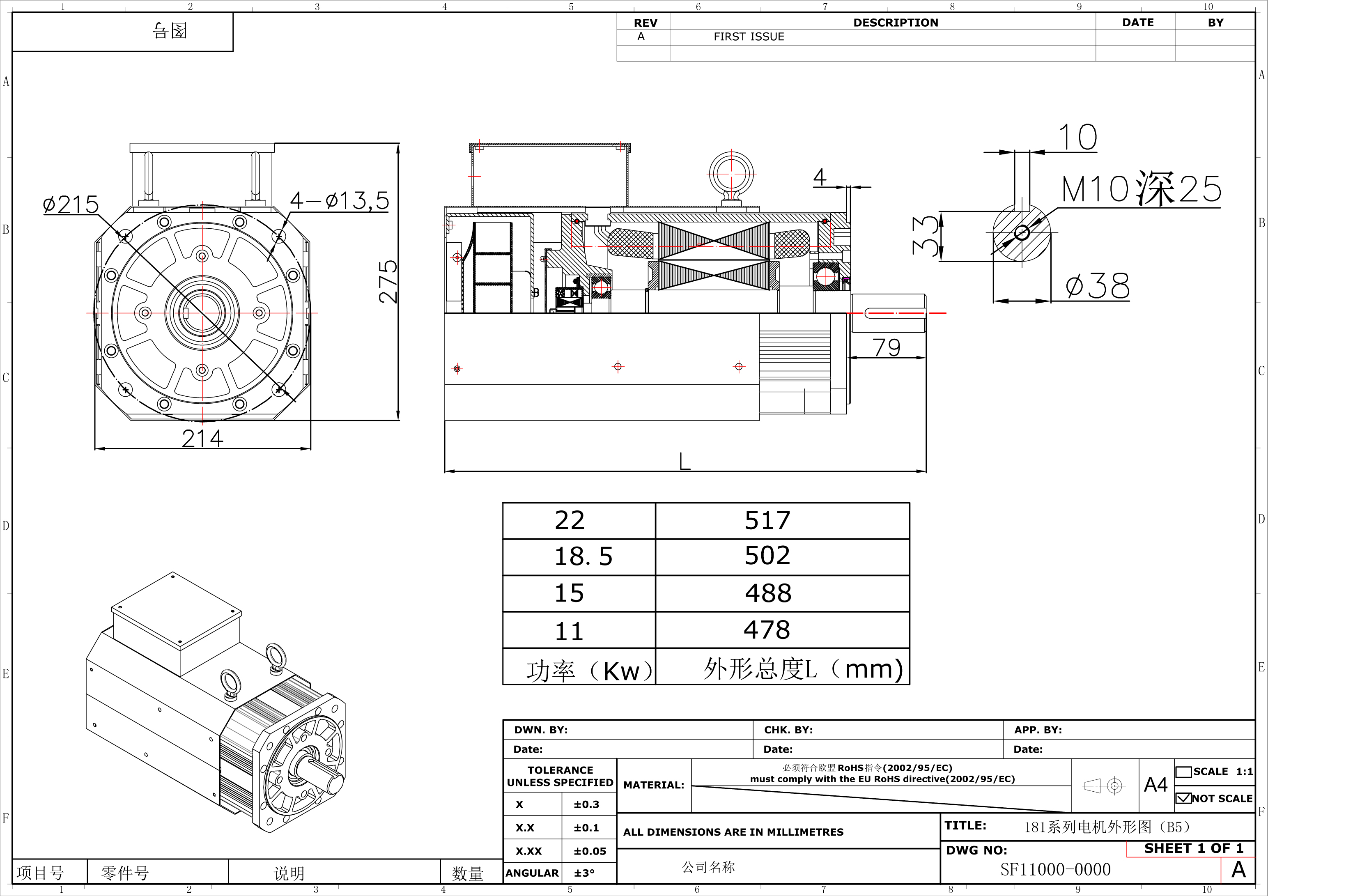
快速注塑机专用伺服电机2000R/M LDT18001820I
型号说明:
LDT180XXX20I
LD-代表雷德公司品牌
T-代表同步电机
180-代表电机中心高(毫米)
XXX-代表额定功率
20-乘100代表额定转速
I-代表内插式转子结构
【
返回
】
关于我们
|
公司新闻
|
产品中心
|
应用中心
|
销售网络
|
下载中心
|
人才中心
|
工业设计
Copyright © 2020 版权所有·雷德伺服技术(苏州)有限公司 All Rights Reserved
苏ICP备19043872号-1
技术支持:聚尚网络
苏州网页设计
阿里巴巴商城站
地址:苏州市吴中区临湖镇采达路9号 服务热线:0512-66053858 传真:0512-66053868